同学们提问关于“usb多口连接线_...LED,想用USB接口供电,不知怎样接线知道USB口是5V...”的问题,52IJ师说平台通过网络上精心整理了以下关于“usb多口连接线_...LED,想用USB接口供电,不知怎样接线知道USB口是5V...”的一些有用参考答案。请注意:文中所谈及的内容不代表本站的真正观点,也请不要相信各种联系方式。下面是本网所整理的“usb多口连接线_...LED,想用USB接口供电,不知怎样接线知道USB口是5V...”的相关信息:
...LED,想用USB接口供电,不知怎样接线知道USB口是5V...
科目: 关键词:usb多口连接线白色的led一般电压是3.0-3.4,电流20mA-25mA,一般采用并联,一个灯串一个80-100欧的电阻,1/4或1/6W的再并联.
电脑的电流有500ma,最好在20个以内.
其他类似问题
问题1:自制usb led灯如自制USB LED灯,需甚麼材料和电阻需要多少?接六粒白色LED,最佳的接法是并还是串呢?如何增加光亮度及效率(在命不降低的情况下)(有图表示范!我出30分,)
一个白色 LED【工作电流20mA】、一个82~100欧姆的小电阻.
再要一个usb插头和电线——可以利用坏鼠标的这部分.
如果要增加亮度,可增加LED、电阻的套数,然后各套并联.每个usb最多拖动25个LED灯.
如果共用一个电阻,每个灯的电流会不均匀,也影响寿命.共用电阻=100欧姆/LED数
外形结构可参考其它灯具自由发挥了.
建议采用:6个LED,3个33 欧姆 1/4W 电阻 的接线方法

问题2:用USB的电源供LED灯亮,想自己制作要串多大的电阻 ,LED灯的个数3个 每个都要串电阻吗?LED灯的个数有要求吗?最多可以几个?
如果是白色的或蓝色的led
每个都串接一个约200欧姆的电阻即可
-----------------------------------------------------
如果是红色的led
每个都串接一个约350欧姆的电阻即可
3个串联起来再串接一个约50欧的电阻也可.
-----------------------
阿弥陀佛!如果是绿色的,每个都串约270欧姆的电阻即可.
-----------
不知你的电脑是什么样的.一般的1.2A没有问题;有些主板特别是比较新的,加有电流保护,那么单个USB口输出的最大电流只能略大于500mA...
如果按500mA计算...按我提供的方法,可并联约50路.阿弥陀佛!
问题3:自制led台灯的限流电阻怎么选我要做一个led台灯,用20个草帽白光led,10并2串,想用一台电源适配器供电,铭牌上写的电流是300mA,我计划用里面的6V档,这样能带吗?电阻要多少欧的,多少瓦.
LED一般都采用恒流驱动,如条件合适应尽量选用开关恒流源,你这里可以选4.7欧姆/0.5W的电阻与2个二极管串联,然后再并联10路,这样对电阻的要求能低一些,电路稳定性也好些.
问题4:想自己做个LED台灯,USB的,串联还是并联?要不要电阻?[物理科目]
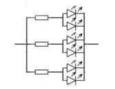
USB输出电压是5V,USB2.0最大电流是500mA,做效率高的,就要用升压或者降压的恒流输出IC.但既然是DIY,当然最简单的了.所有LED并联,再串联一个或都多个电阻(多个电阻并联在一起再与并联的LED串联).
如果使用的LED光源规格是20mA,3.0-3.4V的,一个LED串联一个100欧到110欧的电阻,这样的组合不要超过25个,再并联在一起,接入USB正负极.USB哪端是正极负极,
问题5:想自制个usb的led灯 5个草帽灯珠要串联多少欧的电阻?[数学科目]
草帽灯若是白灯,压降通常是3伏左右,USB的电压是5伏,电阻的压降5-3=2伏,草帽灯的最大电流约20毫安,通常取15毫安.2伏15毫安就是133欧(2÷0.015=133.3),所以每个灯串一个133欧的电阻就OK了
若5个灯并在一起,它的电流就是75毫安(2÷0.075=26.6欧)
- 评论列表(网友评论仅供网友表达个人看法,并不表明本站同意其观点或证实其描述)
-
