欢迎您访问52IJ教育培训网,今天小编为你分享的数学方面的学习知识是通过网络精心收集整理的:“并行加法器_为什么采用并行进位能提高加法器的运算速度?[数学]”,注意:所整理内容不代表本站观点,如你有补充或疑问请在正文下方的评论处发表。下面是详细内容。
本文发布时间:2016-04-17 18:29 编辑:勤奋者
精选知识
采用并行进位后,高位和低位的进位不再存在依赖关系,可以同时计算,这样就可以提高运算速度
其他类似问题
问题1:选用适当门电路,设计16位串行进位加法器,要求进位链速度最快,计算一次加法时间[数学科目]
给个思路:3X=2X X
提示:2X(即二进制数乘2)是不需要任何额外电路,只需移位.
另外四位数二进制乘3的最大结果为六位,而加法器最多只输出五位,所以你必须再搭建一位加法逻辑电路,这个也不难,实在不会查下书本就出来了.
不给图了,一来画着麻烦,二来全部代办了对提问者也没益处.
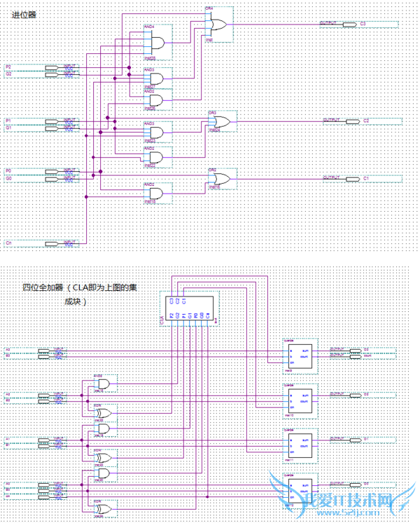
问题2:如何用四个全加器构成一个并行进位加法器电路图.全加器用符号表示,不要求其内部结构[数学科目]
我已经做好的,全加器你自己弄吧……

问题3:串行进位加法器电路和超前进位加法器有何区别,它们各有什么优点?[数学科目]
串行加法进位从最低位进到最高位,即整个进位是分若干步骤进行的.优点 ,电路结构简单.缺点,运算速度慢.超前进位的所有位数进位是同时完成的.一个CP脉冲就能完成整个进位过程.优点,运算速度快,缺点,电路复杂.
问题4:加法器采用先行进位目的?加法器中采用先行进位的目的是什么?[数学科目]
提高运算速度,如果使用串行的每一个高位都需要等待低位计算好,经过各个门延时,速度就会相对很慢.超前进位不用等低位计算好,超前进位,各位都是并行的.
问题5:填空题:影响并行加法器速度的关键因素是______是计算机组成原理的题
影响加法器速度的关键因素是进位信号产生和传递的时间
- 评论列表(网友评论仅供网友表达个人看法,并不表明本站同意其观点或证实其描述)
-
