如何随STM32时钟进行分析
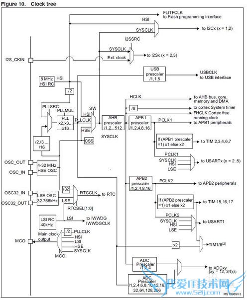
STM32的时钟系统共有三个主要的时钟源:HSI 8MHz RC时钟源,频率为8MHz;HSE高速外部时钟源,可接晶体或者外部时钟源,输入频率可变,4MHz~16MHz;PLL锁相环。另外还有两个额外的时钟源:LSI RC 低速内部时钟,频率仅40Hz;LSE低速外部时钟源,只能接频率为32.768KHz的晶体。所以归结起来,STM32共有5个时钟源。对于PLL锁相环,从图中可以看出,它有两个输入源,一个是HSI/2,一个是HSE,可先选择除频系数然后选择倍频系数,均为2~16倍。这里要注意的是STM32也有很多不同的系列,所以时钟系统也有差别,这里主要针对的是STM32F3X系列。

HSE 时钟,高速外部时钟可由两个输入时钟源产生,一个是外部晶体或陶瓷谐振器。一个是用户直接输入对应频率的时钟。关于这两种接法请参考下图:
需要注意的是如果是选择用户直接输入4M~32MHz的时钟需要是高精度的时钟源。

HSI 时钟,它由一个8MHz的RC振荡器产生并可以直接应用为系统时钟或者二分频后作为PLL的输入。它的优点是成本低,没有额外的电子元件。并且它的启动时间要高于HSE时钟,据我测试的经验,后者是秒级大概2s左右,而前者是ms级,在10-20ms间。但因为较为快速的启动时间,所以时钟源的精度是要比外部时钟源低很多的。所以也导致了它的不同应用,通常情况下,为了系统的快速启动,软件设计之初会采用HSI时钟,而在2S后外部时钟源稳定则切换至HSE时钟。

LSE时钟,它是一个32.768KHz的低速外部时钟源,它的优点是可以提供低功耗但是高精度的时钟源给RTC或者一些其他计时功能。

LSI时钟,它是一个低速的可以带来低功耗的时钟源,它和LSE时钟都不能作为系统时钟源,它主要是让系统可以在standby模式可以独立的运行watch dog和RTC。时钟源频率为40KHz但精度却在30KHz和60KHz之间,因此选择它也是有代价的,RTC的误差会被放大很多倍。

PLL时钟,它的时钟输入源可选择为HSI和HSE,倍频范围为2~16倍,但是输出频率范围却被限制在16-72MHz。 请看下图,有一个USB clk的部分,STM32中有一个全速功能的USB模块,其串行接口引擎需要一个频率为48MHz的时钟源。该时钟源只能从PLL输出端获取,可以选择为1.5分频或者1分频,也就是,当需要使用USB模块时,PLL必须使能,并且时钟频率配置为48MHz或72MHz。

用户类似问题:
问题1:mdk硬件仿真STM32 怎么查看当前系统时钟
要在仿真时看系统时钟频率,我知道两个方法。 第一就是,在system_stm32f10x.c这个文件中,有个全局变量,叫SystemCoreClock,保存了当前系统时钟的值。但是这个变量的值是在编译的时候就固定的,依赖于你的配置,在system_stm32f10x.c文件中有... >>详细
问题2:4M的外部时钟怎么设置STM32系统时钟
一样的设置方法,你用8M怎么设置的,就按照步骤,怎么设置4M,只不过是时钟源的数值不一样罢了,这有什么关系呢? 只不过,用8M外部时钟源的时候,倍频9倍,可以得到72MHZ系统时钟, 外部4M时,最大只能得到64M时钟,因STM32最大只能倍频16倍,所以你只能得到... >>详细
问题3:stm32系统时钟
SystemInit() 这个是系统时钟设置,比如外部晶振8M,你通过这个设置倍频到56M、64M、72M。 各个外设通过自己的初始化配置再进行分频,比如ADC要求14M以内,所以ADC再整个6分频,从72M分频到12M才能使用。 RCC_APB2PeriphClockCmd(RCC_APB2Periph... >>详细
问题4:STM32的APB时钟预分频数到底是怎么确定的?AHB的频...
APB1最大频率是36Mhz,这个在初始化的时候就已经设置了的,如果用库函数默认就是36Mhz,在main函数运行前就设置了,一般可以不管。如果自己操作寄存器就不一定了。 然后psc的问题:其实里面有两个分频的概念,APB预分频和计数器时钟频率(CK_PSC... >>详细
问题5:stm32系统时钟配置问题
上面所给的程序是使用内部晶振的,而通常开发板都会使用外部晶振通过倍频使用。 内部晶振最高只能倍频到64MHz,而使用外部晶振能够倍频到72MHz。 如果板子上确实有外部晶振,请使用外部晶振! 使用外部晶振配置实例如下: 使用HSE时钟,程序设置... >>详细
【本站声明】:文章内容由网络用户投稿,内容仅供参考,不构成投资建议,也不代表本网赞同其观点和对其真实性负责。本网站不承担任何形式的责任。特此声明。如有侵权请联系QQ:100966298 QQ: 77100680 我们会在24小时内处理。
- 评论列表(网友评论仅供网友表达个人看法,并不表明本站同意其观点或证实其描述)
-
