启动,三角
发布时间:2016-04-07 22:18 来源: 网络 编辑:勤奋者
同学们提问关于“星三角启动电路图U1接2V.V1接W2.W1接U2。与U1接W2,W1...”的问题,52IJ师说平台通过网络上精心整理了以下关于“星三角启动接线图星三角启动电路图U1接2V.V1接W2.W1接U2。与U1接W2,W1...”的一些有用参考答案。请注意:文中所谈及的内容不代表本站的真正观点,也请不要相信各种联系方式。下面是本网所整理的“星三角启动接线图星三角启动电路图U1接2V.V1接W2.W1接U2。与U1接W2,W1...”的相关信息:
关于星三角启动电路图U1接2V.V1接W2.W1接U2。与U1接W2,W1...的其他参考回答
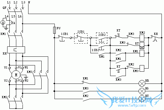
看看这个图。

- 评论列表(网友评论仅供网友表达个人看法,并不表明本站同意其观点或证实其描述)
-
